ZJHM型气动套筒调节阀(气动精小型套筒调节阀、气动薄膜套筒调节阀) |
ZJHM型气动套筒调节阀(气动精小型套筒调节阀、气动薄膜套筒调节阀),是由多弹簧气动薄膜执行机构和直通低流阻平衡型套筒阀组成。具有结构紧凑、重量轻、动作灵敏、流体通道呈S流线型、压降损失小、阀容量大、流量特性精确,配用电-气阀门定位或气动阀门定位器,可实现对工艺管路流体介质的自动调节控制,广泛应用于精确控气体、液体、蒸汽等介质的工艺参数如压力、流量、温度、液位等参数保持在给定值。是符合IEC标准的新一代通用调节阀产品
 |
 |
 |
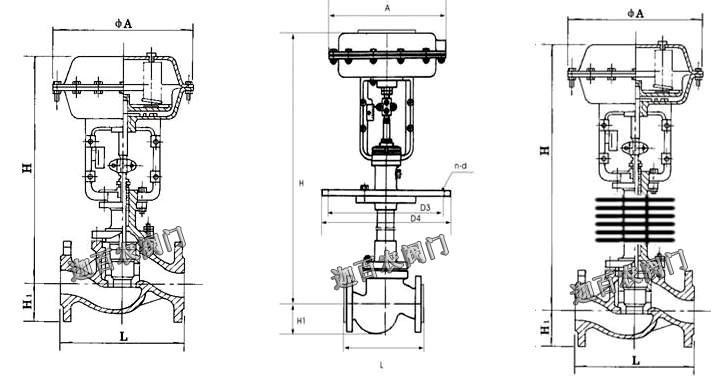
气动套筒调节阀(气闭式常温型)
(采用ZPD-2000型电气阀门定位器) |
气动套筒调节阀(气开式常温型)
(采用YT-2300系列智能型定位器) |
气动套筒调节阀(带顶装手操机构)
(采用HEP15电气阀门定位器)常温型 |
 |
 |
 |
气动套筒调节阀(高温散热型)
(采用ZPD-2000型电气阀门定位器) |
气动套筒调节阀(气闭式常温型)
(采用HEP15电气阀门定位器)美标型 |
气动套筒调节阀(气开式常温型)
(采用SIPART PS2西门子智能定位器) |
1.ZJHM型气动套筒调节阀是自动化控制系统中仪表的执行单元,采用电-气阀门定位器,以电信号和压缩空气为动力,接受控制系统输入的0-10mA DC或4-20mA DC电流信号,由调节器将压缩空气,转换成气源压力信号输入输出,可实现分程控制(段幅信号),从而改变阀门开度位移,达到对流体介质的工艺参数精确调节控制
2.ZJHM型气动套筒调节阀按作用模式可分;
正作用:气闭式-常开型(当信号压力增大时阀位向下位移),《B型》
反作用:气开式-常闭型(当信号压力增大时阀位向上位移),《K型》
3.气动套筒调节阀采用了平衡型阀芯,不平衡力小,操作稳定适用于阀前阀后压差大且泄漏稍大的工作场合。
|
4.直通低流阻套筒阀阀芯采用了压力平衡式阀芯,(双密封面或单密封面)结构,阀芯为圆柱型,经过精密加工开出一定特性的窗孔,由套筒的内圆导向和顶导向,因而阀杆上不平衡力很小、操作稳定、性能好,是一种力平衡型的调节阀。适用于阀前后两端压差较高的场合,由于阀芯有套筒的侧面导向,受涡流冲击所产生的振动被减弱,故具有噪音低、空化闪蒸作用小、使用寿命长等优点。但阀座泄漏率较单座阀稍大。
5.通过改变阀芯形状的设计;不同的阀芯窗孔形状会得到不同流量特性值:等百分比(对数)性、直线性。
本系列产品广泛应用于化工、石油、冶金、电站、轻纺、造纸和制药等工业生产过程的自动化调节和远程控制。
有标准型、调节切断型、波纹管密封型、夹套保温型等品种。产品压力等级有PN1.6 4.0 6.4MPa;公称通径DN20~300mm;适用流体温度有-60~+450℃;按温度高低配用不同阀盖可分常温型、高温型和低温型。 |
|
|
ZHA/B型多弹簧气动薄膜执行机构由膜片、压缩弹簧、托盘、推杆、支架、轴套、膜盖等主要零件构成。是针对老式的ZMA/B型单弹簧气动薄膜执行机构存在的尺寸大、笨重、深波纹膜片不可靠等问题设计开发的新型气动薄膜执行机构,其膜盖盘、限制件等零件均采用钢板冲压成型。膜片形状较复杂,采用特殊的压制工艺,使爆破强度达22kg/cm2以上。多弹簧形式改善了弹簧制造的工艺性,有利于不同弹簧范围的组配。可调零功能则提高了线性精度。表面处理采用环氧静电粉未喷涂,具有较高牢度和耐腐蚀性。具有受力均匀、稳定性好、尺寸小,重量轻等优点。以压缩空气为能源动力,接受电-气阀门定位器或电磁阀输入的气源压力信号,此压力作用在膜室膜片上产生推力压缩弹簧组件,并使推杆位移,当推杆与弹簧组被压缩后产生的反力相平衡时,阀杆就稳定在相应行程上。依照力平衡原理,行程大小与压力信号输入大小成一定的比例关系,从而达到阀门阀芯准确定位。
|
型 号 |
ZHA-22
ZHB-22 |
ZHA-23
ZHB-23 |
ZHB-34
ZHB-34 |
ZHA-45
ZHB-45 |
ZHA-56
ZHB-56 |
有效面积cm2 |
350 |
350 |
560 |
900 |
1600 |
行 程mm |
16 |
25 |
40 |
60 |
100 |
弹簧范围KPa |
20~100(标准):40~200;80~240; 20~60; 60~100 |
操作方式 |
普通型、带手动手轮操作型(侧装式、顶装式) |
|
电气阀门定位器是工业自动化中气动执行器的主要配套仪表,可用来提高阀门位置的线性度、克服阀杆的磨擦力和消除调节阀不平衡力的影响等,从而保证阀门位置按控制系统或调节仪表传来的0~10mA DC或4-20mA的电流信号成比例关系,实现正确定位。(有多种型号规格可选配)
本公司电-气阀门定位器配用型(HEP-15隔爆型,HEP-17本安型)。也可按不同需求配用(ZPD2000系列、EP3000系列、EP4000系列、YT1000系列、YT2000系列、SIPART PS2西门子系列及智能定位器系列产品) |
|
项目 |
指标值 |
项目 |
指标值 |
基本误差% |
不带定位器 |
±5.0 |
始
终
点
偏
差
% |
气关 |
不带定位器 |
始点 |
±5.0 |
带定位器 |
±1.0 |
终点 |
±2.5 |
回差% |
不带定位器 |
≤3.0 |
带定位器 |
始点 |
±1.0 |
终点 |
±1.0 |
带定位器 |
≤1.0 |
气开 |
不带定位器 |
始点 |
±2.5 |
终点 |
±5.0 |
死区% |
不带定位器 |
≤3.0 |
带定位器 |
始点 |
±1.0 |
终点 |
±1.0 |
带定位器 |
≤0.4 |
允许泄漏量L/h |
1×10-3×阀额定容量 |
额定行程偏差% |
±2.5 |
注:本产品执行GB/T4213-92国家标准。 |
开关
方式 |
执行
机构
型号 |
弹簧
范围
KPa |
气源
压力
KPa |
需
要
附
件 |
公称通径(阀座直径)mm |
25 |
40 |
50 |
65 |
80 |
100 |
150 |
200 |
250 |
300 |
气
关 |
ZHA-22 |
20~100
20~100
40~200 |
0.14
0.25
0.40 |
-
P
P或R |
3.00
6.4
6.4 |
|
|
|
|
|
|
|
|
|
ZHA-23 |
20~100
20~100
40~200 |
0.14
0.25
0.40 |
-
P
P或R |
|
2.25
6.4
6.4 |
1.95
6.4
6.4 |
|
|
|
|
|
|
|
ZHA-34 |
20~100
20~100
40~200 |
0.14
0.25
0.40 |
-
P
P或R |
|
|
|
2.36
6.4
6.4 |
2.04
6.4
6.4 |
1.67
6.4
6.4 |
|
|
|
|
ZHA-45 |
20~100
20~100
40~200 |
0.14
0.25
0.40 |
-
P
P或R |
|
|
|
|
|
|
1.41
6.4
6.4 |
1.14
6.4
6.4 |
|
|
气
开 |
ZHA-22 |
20~100
40~200
80~240 |
0.14
0.25
0.40 |
-
P或R
P |
|
1.5
4.5
6.4 |
|
|
|
|
|
|
|
|
ZHA-23 |
20~100
40~200
80~240 |
0.14
0.25
0.40 |
-
P或R
P |
|
|
1.13
3.38
6.40 |
0.98
2.93
6.4 |
|
|
|
|
|
|
ZHA-34 |
20~100
40~200
80~240 |
0.14
0.25
0.40 |
-
P或R
P |
|
|
|
1.18
3.54
6.4 |
1.02
3.06
6.4 |
0.84
2.51
5.85 |
|
|
|
|
ZHA-45 |
20~100
40~200
80~240 |
0.14
0.25
0.40 |
-
P或R
P |
|
|
|
|
|
|
0.71
2.12
4.94 |
0.57
1.71
4.00 |
|
|
注:1)P-阀门定位器;R-压力继动器;
2)允许压差为阀关闭P2=0状态下,P的最大值;
3)如果允许压差不清楚或最大工作压差超出列表范围请与我们联系。 |
|
|
|
材料代号 |
C(WCB) |
P(304) |
R(316) |
主要
零件 |
阀体、阀盖 |
WCB(ZG230-450) |
ZG1Cr18Ni9Ti(304) |
ZG1Cr18Ni12Mo2Ti(304) |
阀芯、阀座 |
1Cr18Ni9Ti(304)或司钛莱合金堆焊 |
1Cr18Ni9Ti(304)或司钛莱合金堆焊 |
1Cr18Ni12Mo2Ti或司钛莱合金堆焊 |
阀杆 |
2Cr13 |
1Cr18Ni9Ti |
1Cr18Ni12Mo2Ti |
填料 |
V型聚四氟乙烯、柔性石墨、不锈钢波纹管 |
垫片 |
增强聚四氟乙烯 、不锈钢垫片、金属石墨缠绕垫片 |
上下膜盖 |
A3钢板冲压 |
波纺膜片 |
丁晴橡胶夹增强涤沦织物 |
弹簧 |
60Si2Mn |
推杆、衬套 |
2Cr13 |
轴套 |
聚氨酯(用于反作用) |
适用
工况 |
适用介质 |
水蒸汽油品类气液体 |
硝酸碱类腐蚀性气液体 |
醋酸类等腐蚀性气液体 |
常温型 |
-30~+250 F4:≤200℃ |
-40~+250 F4:≤200℃ |
-40~+250℃ F4:≤200℃ |
高温型 |
-30~+450℃ |
-40~+550℃ |
-40~+550℃ |
低温型 |
|
-40~-60℃、 -60~-100℃ |
|
|
公称通径mm |
20 |
25 |
32 |
40 |
50 |
65 |
80 |
100 |
125 |
150 |
200 |
250 |
300 |
阀座直径mm |
20 |
25 |
32 |
40 |
50 |
65 |
80 |
100 |
125 |
150 |
200 |
250 |
300 |
额定流量
系数Kv |
直线 |
6.9 |
11 |
17.6 |
27.5 |
44 |
69 |
110 |
176 |
275 |
440 |
690 |
1100 |
1760 |
等百分比 |
6.3 |
10 |
16 |
25 |
40 |
63 |
100 |
160 |
250 |
400 |
630 |
1000 |
1600 |
额定行程L(mm) |
10 |
16 |
25 |
40 |
60 |
100 |
执行器型号 |
ZHA/B-22 |
ZHA/B-22 |
ZHA/B-23 |
ZHA/B-34 |
ZHA/B-45 |
ZHA/B-56 |
薄膜有效面积Ae(cm2) |
350 |
350 |
350 |
560 |
900 |
1600 |
气源压力Ps(MPa) |
0.14~0.4 |
信号范围Pr(KPa) |
20~100、40~200、80~240 段幅:20~60、60~100 |
电信号 |
4~20mA DC或0~10mA DC |
作用模式 |
气开式(K)型、气关式(B)型 |
流量特性 |
直线、等百分比、快开性 |
允许泄漏量(L/h) |
硬密封:1×10-3×阀额定容量 |
固有可调比R |
50:1 |
气源接头 |
M16×1.5 |
公称压力PN(MPa) |
1.6 2.5 4.0 6.4 |
|
设计制造:GB/T4213、IEC60534
法兰尺寸:JB/T79-94、HG20592、ASNIB16.5、JISB2212-2214
结构长度:GB/T12221、ANSI B16.10、JIS B200 |
|
|
|
公通径(mm) |
20 |
25 |
32 |
40 |
50 |
65 |
80 |
100 |
125 |
150 |
200 |
250 |
300 |
L(mm) |
PN1.6MPa |
180 |
185 |
205 |
220 |
254 |
275 |
300 |
350 |
410 |
451 |
600 |
670 |
735 |
PN4.0MPa |
195 |
200 |
210 |
235 |
267 |
292 |
317 |
368 |
425 |
473 |
615 |
685 |
750 |
PN6.4MPa |
205 |
210 |
220 |
251 |
286 |
311 |
337 |
394 |
440 |
508 |
|
700 |
765 |
H1(mm) |
PN1.6MPa |
53 |
58 |
68 |
73 |
80 |
90 |
98 |
108 |
123 |
140 |
168 |
203 |
230 |
H1(mm) |
PN4.0MPa |
53 |
58 |
68 |
73 |
80 |
90 |
98 |
115 |
135 |
150 |
8 |
223 |
255 |
H1(mm) |
PN6.4MPa |
63 |
68 |
75 |
83 |
88 |
100 |
105 |
125 |
148 |
170 |
203 |
235 |
265 |
H(mm)≈ |
常温型 |
487 |
493 |
525 |
530 |
538 |
686 |
706 |
726 |
953 |
970 |
1009 |
1350 |
1390 |
高温型 |
635 |
643 |
680 |
695 |
710 |
886 |
910 |
930 |
1205 |
1220 |
1260 |
1670 |
1710 |
低温型 |
-100℃ |
H2 |
500 |
600 |
700 |
|
|
H≈ |
980 |
990 |
1020 |
1130 |
1138 |
1286 |
1306 |
1326 |
1650 |
1670 |
1700 |
|
|
ΦA(mm) |
285 |
360 |
470 |
620 |
■订货须知:
⑴流量调节阀产品型号与名称 ⑵流量调节阀公称通径DN ⑶流量调节阀额定流量系数KV ⑷流量调节阀公称压力和压差 ⑸流量调节阀阀体和阀内组件材料 ⑹流量调节阀流量特性 ⑺流量调节阀适用温度 ⑻流量调节阀电源电压和控制信号 ⑼流量调节阀是否带附件。
因篇幅有限,欲知各产品的详细资料请与本公司直接联系!
销售热线:021-36320477 36320744 图文传真:021-36320744 |
|